
Электроника и бытовая техника: Сборка распределительных шкафов, серверных шасси и корпусов мониторов; предварительно установленные запрессованные гайки позволяют быстро закручивать болты, повышая эффективность массового производства.
Электроника и бытовая техника: Сборка распределительных шкафов, серверных шасси и корпусов мониторов; предварительно установленные запрессованные гайки позволяют быстро закручивать болты, повышая эффективность массового производства.
Автомобильная промышленность: Соединение кузовных панелей, дверных рам и защитных пластин шасси; зубчатые гайки противостоят вибрации автомобиля и предотвращают ослабление.
Аэрокосмическая промышленность: Облегченные соединения для рам дронов и корпусов спутникового оборудования; запрессованные гайки из алюминиевого сплава обеспечивают баланс между прочностью и снижением веса.
Мебельная промышленность: Соединения листового металла для офисной мебели и полок; фланцевые гайки предотвращают деформацию тонких листов под давлением.
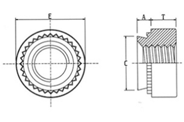
| единица:mm | ||||||
| размер | подача | толщина пластины | A | C | е±0,25 | T±0.25 |
| M2 | 0.4 | 0 | 0.77 | 4.2 | 6.3 | 1.5 |
| 1 | 0.97 | |||||
| 2 | 1.38 | |||||
| M2.5 | 0.45 | 0 | 0.77 | 4.2 | 6.3 | 1.5 |
| 1 | 0.97 | |||||
| 2 | 1.38 | |||||
| M3 | 0.5 | 0 | 0.77 | 4.2 | 6.3 | 1.5 |
| 1 | 0.97 | |||||
| 2 | 1.38 | |||||
| M4 | 0.7 | 0 | 0.77 | 5.38 | 7.9 | 2 |
| 1 | 0.97 | |||||
| 2 | 1.38 | |||||
| M5 | 0.8 | 0 | 0.77 | 6.33 | 9.7 | 2 |
| 1 | 0.97 | |||||
| 2 | 1.38 | |||||
| M6 | 1 | 0 | 1.15 | 8.72 | 11.05 | 4.08 |
| 1 | 1.38 | |||||
| 2 | 2.21 | |||||
| M8 | 1.25 | 1 | 1.38 | 10.47 | 12.65 | 5.47 |
| 2 | 2.21 | |||||
| M10 | 1.5 | 1 | 2.21 | 13.97 | 17.35 | 7.48 |
| 2 | 3.05 | |||||