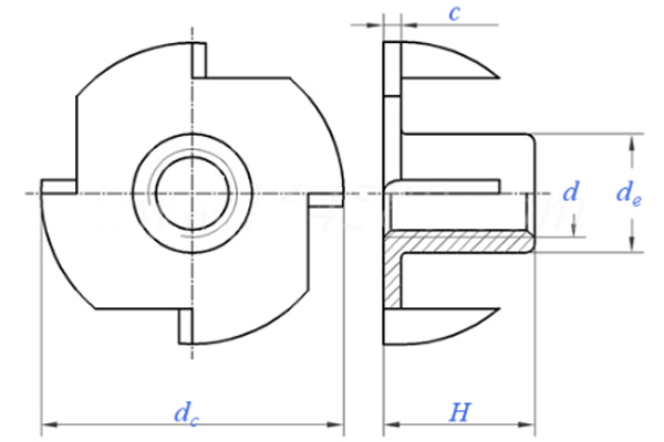
Гайка Т-образная DIN 1624
Гайка Т-образная DIN 1624
Гайка Т-образная DIN 1624
Гайка Т-образная DIN 1624
Гайка Т-образная DIN 1624
Гайка Т-образная DIN 1624